Inloggen  Klantaccount aanmaken  Wachtwoord vergeten? 
Loader
7.1.20

Stelvoet met vaste kunststof voet - binnenzeskant

Stelvoet met vaste kunststof voet - binnenzeskant
Stelvoet met vaste kunststof voet - binnenzeskant
Stelvoet met vaste kunststof voet - binnenzeskant
Stelvoet met vaste kunststof voet - binnenzeskant
Stelvoet met vaste kunststof voet - binnenzeskant
Stelvoet met vaste kunststof voet - binnenzeskantdrawing_1
Productinformatie
  • Stelvoeten met vaste conische kunststof voet zijn leverbaar met draadspindels die aan de bovenzijde zijn voorzien van een binnenzeskant (inbus).
  • Draadspindelmaten vanaf M8 tot en met M10
  • Spindel lengets van 20mm tot en met 100mm
  • Voeten van Ø30mm tot en met Ø48mm
  • Voorzien van een binnenzeskant (Inbus) in de bovenzijde van de draadspindel, hierdoor is hoogteverstelling vanaf de bovenzijde mogelijk
  • De draadspindel, voorzien van zeskant, is draaibaar ten opzichte van de voet
  • Kruiskop in voet (Pozidrive 2 / Torx T20) voor eenvoudig machinaal indraaien (max.koppel 3,4 Nm)
  • Maximale statische draagvermogens van 400kg tot en met 550kg
  • Stelvoeten met draaibare kunststof voet worden vaak toegepast op apparaten of meubels, zoals o.a. stellingen, kasten, dressoirs, bureaus, tafels

Materiaal: Voet - PP (Polypropyleen), Draadspindel – (DIN 558-4.6-A2F) Staal verzinkt
Kleur: Voet – zwart, spindel - zinkkleurig

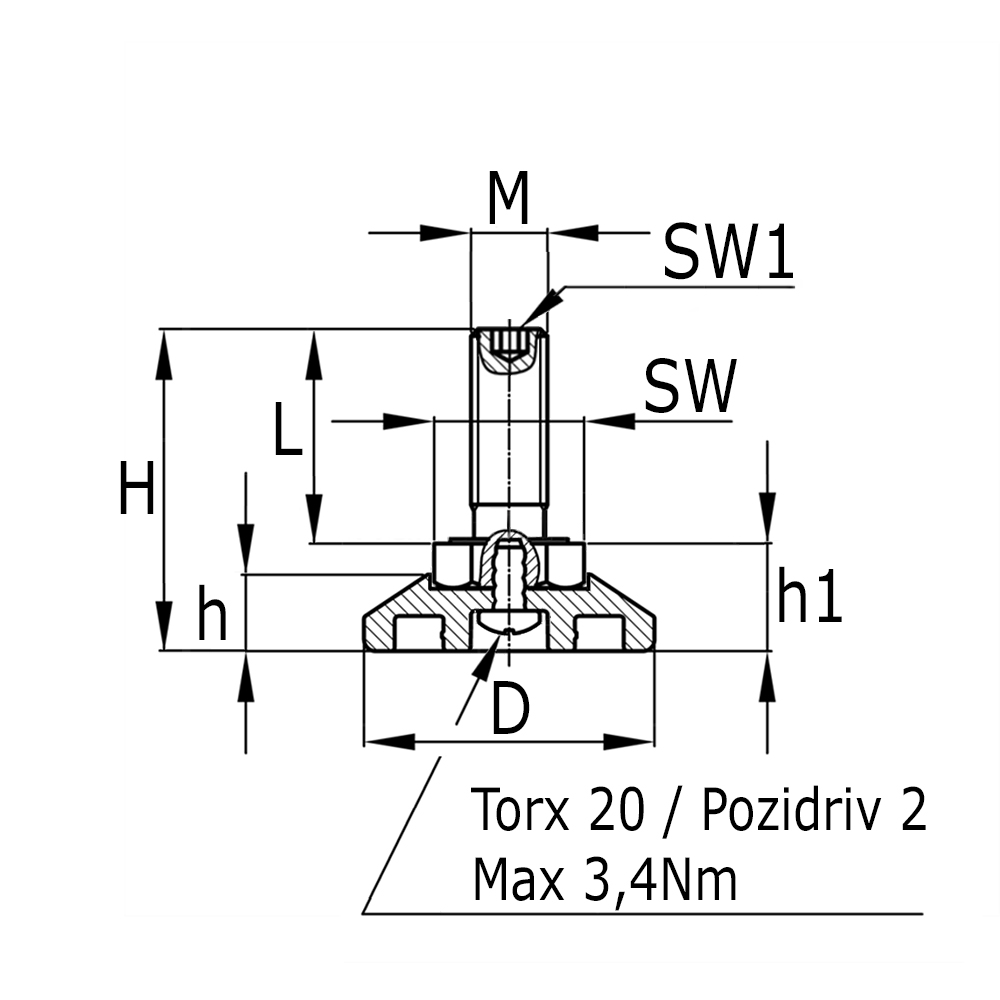
Legenda
D=Voet-Ø, H=Hoogte voet + zeskant, K=Max. statisch draagvermogen in kilogram, L=Lengte draadspindel, M=Schroefdraadmaat, SW=Sleutelwijdte zeskant / binnenzeskant

Filter op
1 pagina's -   1  

Artikel Omschrijving M D L SW Kleur/RAL h1
76023810020 BZK Stelvoet vaste voet Ø38mm M10 X 20 met Binnenzeskant M10 38 20 SW 17 Zwart 14
76023810080 BZK Stelvoet vaste voet Ø38mm M10 X 80 zwart M10 38 80 SW 17 Zwart 14
76024810020 BZK Stelvoet vaste voet Ø48mm M10 X 20 met Binnenzeskant M10 48 20 SW 17 Zwart 14

1 pagina's -   1  

Paypal  IBAN  Maestro  mastercard  Visa  American Express  iDeal  Bancontact  Bancontact  Bancontact  Bancontact  Giropay  Sofort banking  Verzending net DPD