Inloggen
Inloggen
Klantaccount aanmaken
Wachtwoord vergeten?
Leeg
0
+31(0)493 322068
Artikel zoeken op afbeelding
Themaspecials
Nieuwe producten
Technische info
Klantenservice
Contact
Artikel zoeken op afbeelding
Themaspecials
Nieuwe producten
Technische info
Klantenservice
Contact
Omsteekdoppen
Insteekdoppen
Vloerglijders buisframe
Beschermen, maskeren en afdichten
Moerkappen en afdekkappen voor schroeven
Staf en klemprofielen in kunststof en rubber
Stelvoeten en Machinevoeten
Glijlagers
Bevestigingsmaterialen
Buisverbinders
Scharnieren
Trillingsdempers, stootdempers en rubber bussen
Bedieningsonderdelen en Normdelen
Spangrepen
Sterknoppen
Kartelknoppen
Kruisknoppen
Vleugelknoppen
Kogelknoppen
Blokkeerbouten
Blokkeerbout met zeskant kraag - staal
Blokkeerbout met zeskant kraag – staal – met borging
Blokkeerbout met zeskant kraag - RVS
Blokkeerbout met zeskant kraag – RVS – met borging
Handwielen
Ballengrepen
Cilindergrepen
Handvatten
Beugelgrepen
RVS componenten - 3-A hygiene
Wielen
Gasveren en accessoires
Hekwerk onderdelen
Meubelglijders en meubelpoten
Zelfklevende voetjes en vilt
Deurstoppers en kozijnbuffers
Insteek buffers en glasbuffers
Kabelmanagement
Ergonomie
Stoelverbinders
Trappen en ladders
Bouwgerelateerd
Rozetten
Diversen
Siernagels, bekledingsnagels en meubelnagels
Producten
Bedieningsonderdelen en Normdelen
Blokkeerbouten
Blokkeerbout met zeskant kraag - RVS
Blokkeerbout Knop 33mm, M20X1,5 - Stift 10mm - RVS
Blokkeerbout Knop 33mm, M20X1,5 - Stift 10mm - RVS
Bewaar
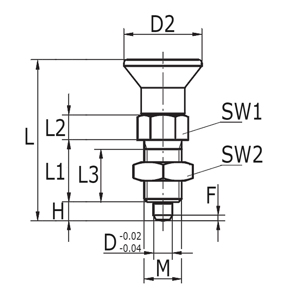
D :
10
H :
10
L :
74
L1 :
28
D2 :
33
M :
M20x1.5
L2 :
12
L3 :
25
F :
2.8
F1 :
15
F2 :
34
SW1 :
SW 22
SW2 :
SW 30
Kleur/RAL :
RVS
Legenda
D=Ø-Stift, D2=Ø-Knop, F=Hoogte stiftfacet, F1=Begin veerkracht in Newton, F2=Eind veerkracht in Newton, H=Stiftlengte, L=Totale lengte, L1=Lengte, L2=Hoogte zeskant kraag, L3=Lengte schroefdraad, M=Schroefdraadmaat (metrisch fijn), SW1=Sleutelwijdte kraag, SW2=Sleutelwijdte zeskant moer
Artikel-nr. :
380332010 RVS
Op voorraad :
Ja
€ 39,7266
per Stuk
€ 48,0692 incl. BTW
Aantal
Bestel
Bestel
U bestelt per stuk