Inloggen
Inloggen
Klantaccount aanmaken
Wachtwoord vergeten?
Leeg
0
+31(0)493 322068
Artikel zoeken op afbeelding
Themaspecials
Nieuwe producten
Technische info
Klantenservice
Contact
Artikel zoeken op afbeelding
Themaspecials
Nieuwe producten
Technische info
Klantenservice
Contact
Omsteekdoppen
Insteekdoppen
Vloerglijders buisframe
Beschermen, maskeren en afdichten
Algemene maskering en bescherming
Hittebestendige maskering
Buis en flens bescherming
Flensbescherming – push-in
Flensbescherming pasvlak RF FF - push-in
Zelfklevende rubber flensbescherming - pasvlak RF FF
Flenskap met pinnen Push Fit
Buispluggen met ribben
Beschermkappen voor buitendraad en buisuiteinden
Beschermkappen voor buizen - ANSI & ISO 6708
Beschermkappen - flexibel - voor buizen - ANSI & ISO 6708
O-ringen
Slang- en kabelbescherming
Maskeertape
Moerkappen en afdekkappen voor schroeven
Staf en klemprofielen in kunststof en rubber
Stelvoeten en Machinevoeten
Glijlagers
Bevestigingsmaterialen
Buisverbinders
Scharnieren
Trillingsdempers, stootdempers en rubber bussen
Bedieningsonderdelen en Normdelen
Wielen
Gasveren en accessoires
Hekwerk onderdelen
Meubelglijders en meubelpoten
Zelfklevende voetjes en vilt
Deurstoppers en kozijnbuffers
Insteek buffers en glasbuffers
Kabelmanagement
Ergonomie
Stoelverbinders
Trappen en ladders
Bouwgerelateerd
Rozetten
Diversen
Siernagels, bekledingsnagels en meubelnagels
Producten
Beschermen, maskeren en afdichten
Buis en flens bescherming
Buispluggen met ribben
Geribbelde Buispluggen Ø 45-49mm D=49.7mm - Rood
Geribbelde Buispluggen Ø 45-49mm D=49.7mm - Rood
Bewaar
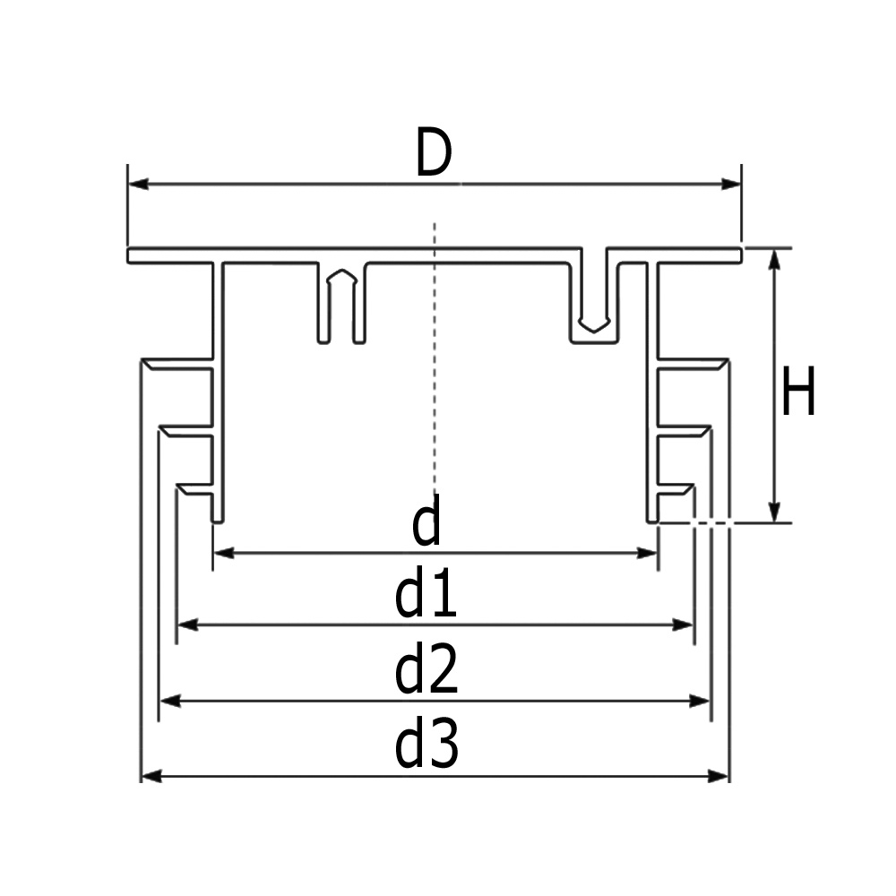
D :
49.7
H :
25
Type :
C
d :
29.3
a :
10
d2 :
45.5
Buisafmeting :
50
d3 :
54.7
Boring :
45-49
Kleur/RAL :
Rood
Volle doos :
500 stuks
Te bestellen in ieder gewenst aantal
Legenda
Boring=Geschiktheid min/max inwendige buismaat, Buisafm.=Uitwendige buis-Ø, D=Ø-kop, d=Ø-schaft, d1-d3=Lamellen-Ø, DIN=DN-buismaat, H=Hoogte, Type=Uitvoering t.a.v. montagemogelijkheden ringstop, Uitv.=Maximale wanddikte
Artikel-nr. :
53.0050.000 R
Op voorraad :
Ja
€ 0,1663
per Stuk
€ 0,2012 incl. BTW
Aantal
Bestel
Bestel
U bestelt per stuk