Inloggen  Klantaccount aanmaken  Wachtwoord vergeten? 
Loader
13.7.4

Blokkeerbout met zeskant kraag – RVS – met borging

Blokkeerbout met zeskant kraag – RVS – met borging
Blokkeerbout met zeskant kraag – RVS – met borging
Blokkeerbout met zeskant kraag – RVS – met borging
Blokkeerbout met zeskant kraag – RVS – met borging
Blokkeerbout met zeskant kraag – RVS – met borging
Blokkeerbout met zeskant kraag – RVS – met borging
Blokkeerbout met zeskant kraag – RVS – met borging
Blokkeerbout met zeskant kraag – RVS – met borgingdrawing_1
Productinformatie
  • Blokkeerbouten met zeskant kraag en contramoer zijn leverbaar met fijne draad van M8x1 tot en met M20x1,5
  • Uitvoering met borging
  • Geharde blokkeerstiften van Ø4 tot en met Ø10mm
  • Geveerde blokkeerstift
  • Metaaldelen in roestvrijstaal
  • Kunststof trekknop
  • Blokkeerbouten, ook wel indexbouten genoemd, worden o.a. toegepast voor het vergendelen, indexeren en positioneren van zijwaartse verplaatsing op machines, installaties, voertuigen en meubilair.

Materiaal: Knop – PA (Polyamide), Huls + Moer – RVS (1.4305), Stift – RVS gehard (1.4305)
Kleur: Knop – zwart, Metaaldelen – RVS-kleurig

Op aanvraag leverbaar:
  • In andere maten en stiftlengtes

Legenda
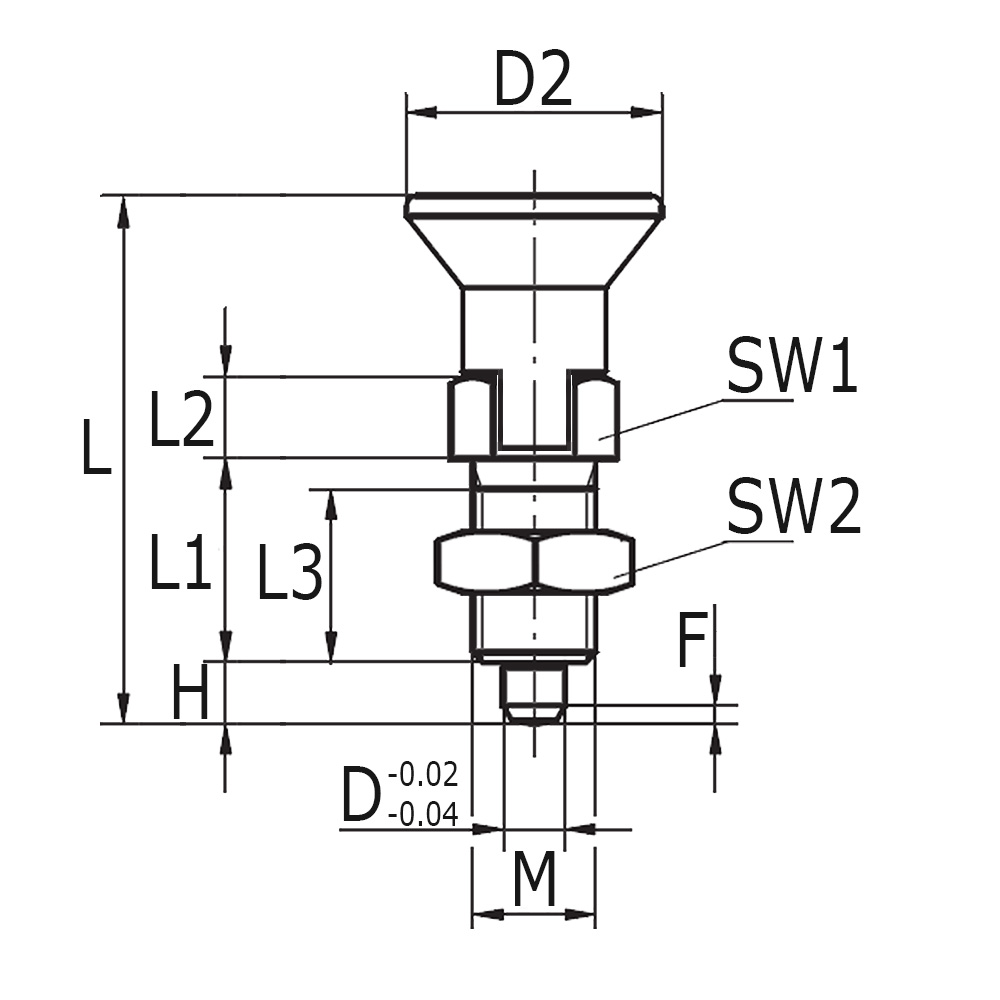
D=Ø-Stift, D2=Ø-Knop, F=Hoogte stiftfacet, F1=Begin veerkracht in Newton, F2=Eind veerkracht in Newton, H=Stiftlengte, L=Totale lengte, L1=Lengte, L2=Hoogte zeskant kraag, L3=Lengte schroefdraad, M=Schroefdraadmaat (metrisch fijn), SW1=Sleutelwijdte kraag, SW2=Sleutelwijdte zeskant moer

Filter op
1 pagina's -   1  

Artikel Omschrijving M D H F L L1
381180804 RVS Blokkeerbout Knop 18mm, M8X1 - Stift 4mm - met Borging - RVS M 8x1 4 4 1 38,5 15
381211005 RVS Blokkeerbout Knop 21mm, M10X1 - Stift 5mm - met Borging - RVS M10x1 5 5 1,3 43,5 17
381251206 RVS Blokkeerbout Knop 25mm, M12X1,5 - Stift 6mm - met Borging - RVS M12x1,5 6 6 1,8 51,7 20
381331608 RVS Blokkeerbout Knop 33mm, M16X1,5 - Stift 8mm - met Borging - RVS M16x1,5 8 8 2,3 68 26
381332010 RVS Blokkeerbout Knop 33mm, M20X1,5 - Stift 10mm - met Borging - RVS M20x1,5 10 10 2,8 74 28

1 pagina's -   1  

Paypal  IBAN  Maestro  mastercard  Visa  American Express  iDeal  Bancontact  Bancontact  Bancontact  Bancontact  Giropay  Sofort banking  Verzending net DPD