Inloggen
Inloggen
Klantaccount aanmaken
Wachtwoord vergeten?
Leeg
0
+31(0)493 322068
Artikel zoeken op afbeelding
Themaspecials
Nieuwe producten
Technische info
Klantenservice
Contact
Artikel zoeken op afbeelding
Themaspecials
Nieuwe producten
Technische info
Klantenservice
Contact
Omsteekdoppen
Insteekdoppen
Vloerglijders buisframe
Beschermen, maskeren en afdichten
Moerkappen en afdekkappen voor schroeven
Staf en klemprofielen in kunststof en rubber
Stelvoeten en Machinevoeten
Glijlagers
Bevestigingsmaterialen
Buisverbinders
Buisverbinders vierkant
Buisverbinders 2-delig 1D2 – vierkante koker
Buisverbinders 2-delig 2D2 - Hoekstuk
Buisverbinders 2-delig 2D3 – T-stuk
Buisverbinders 2-delig 2D4 - Kruis
Buisverbinders 2-delig 3D3 – Hoek 3-weg
Buisverbinders 2-delig 3D4 – T-stuk meervoudig
Buisverbinders 2-delig 3D5 – Kruis meervoudig
Buisverbinders 2-delig 3D6 - Ster
Buisverbinders verstelbaar 2-delig 2D2 - Scharnierend
Buisverbinders verstelbaar 3D3 - Scharnierend
Buisverbinders verstelbaar 3D4 - Scharnierend
Buisverbinders 1-delig 2D2 - Hoekstuk
Buisverbinders 1-delig 2D3 – T-stuk
Buisverbinders 1-delig 2D4 - Kruis
Buisverbinders 1-delig 3D3 – Hoek meervoudig
Buisverbinders 1-delig 3D4 – T-stuk meervoudig
Buisverbinders 1-delig 3D5 - Kruis
Buisverbinders 1-delig 3D6 - Ster
Buisverbinder - Bevestigingsblokje
Buisverbinders rechthoekig
Buisverbinders rond
Scharnieren
Trillingsdempers, stootdempers en rubber bussen
Bedieningsonderdelen en Normdelen
Wielen
Gasveren en accessoires
Hekwerk onderdelen
Meubelglijders en meubelpoten
Zelfklevende voetjes en vilt
Deurstoppers en kozijnbuffers
Insteek buffers en glasbuffers
Kabelmanagement
Ergonomie
Stoelverbinders
Trappen en ladders
Bouwgerelateerd
Rozetten
Diversen
Siernagels, bekledingsnagels en meubelnagels
Producten
Buisverbinders
Buisverbinders vierkant
Buisverbinders verstelbaar 3D4 - Scharnierend
Buisverbinder vierkant scharnierend PA 25x25mm - 1.5mm - 60-300° - 3D4 - Zwart
Buisverbinder vierkant scharnierend PA 25x25mm - 1.5mm - 60-300° - 3D4 - Zwart
Bewaar
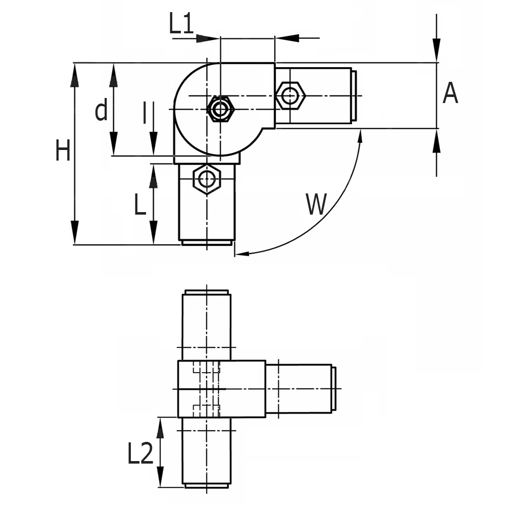
H :
93.5
W :
60-300°
L :
38
L1 :
25
d :
50
Buisafmeting :
25x25
l :
5.5
Kleur/RAL :
Zwart
Materiaal A :
PA
Legenda
Buisafmeting=Uitwendige kokermaat en wanddikte, L=Lengte tot scharnierpunt, L1=Schaftlengte, L2=Lengte pin, W=Verstelhoek in °
Artikel-nr. :
30222525000 SP
Op voorraad :
Ja
€ 3,9375
per Stuk
€ 4,7644 incl. BTW
Aantal
Bestel
Bestel
U bestelt per stuk