Inloggen
Inloggen
Klantaccount aanmaken
Wachtwoord vergeten?
Leeg
0
+31(0)493 322068
Artikel zoeken op afbeelding
Themaspecials
Nieuwe producten
Technische info
Klantenservice
Contact
Artikel zoeken op afbeelding
Themaspecials
Nieuwe producten
Technische info
Klantenservice
Contact
Omsteekdoppen
Insteekdoppen
Vloerglijders buisframe
Beschermen, maskeren en afdichten
Moerkappen en afdekkappen voor schroeven
Staf en klemprofielen in kunststof en rubber
Stelvoeten en Machinevoeten
Glijlagers
Bevestigingsmaterialen
Buisverbinders
Scharnieren
Trillingsdempers, stootdempers en rubber bussen
Bedieningsonderdelen en Normdelen
Wielen
Gasveren en accessoires
Gasdrukveren
Bevestigingsbeugels
Bevestigingsbeugel - boutverbinding
Bevestigingsbeugel boutverbinding 1
Hoekbeugel met pen en borgring
Hoekbeugel met kogelgewricht
Bevestigingsplaat met borgring
Bevestigingsplaat boutverbinding
Bevestigingsplaat met kogelgewricht
Stangkoppen
Kogelgewrichten
Gaffels
Ogen
Hekwerk onderdelen
Meubelglijders en meubelpoten
Zelfklevende voetjes en vilt
Deurstoppers en kozijnbuffers
Insteek buffers en glasbuffers
Kabelmanagement
Ergonomie
Stoelverbinders
Trappen en ladders
Bouwgerelateerd
Rozetten
Diversen
Siernagels, bekledingsnagels en meubelnagels
Producten
Gasveren en accessoires
Bevestigingsbeugels
Hoekbeugel met kogelgewricht
15.2.4
Hoekbeugel met kogelgewricht
Filter op
d..
10
13
A1..
18
30
N..
800
1200
Alle filters tonen
Minder filters tonen
Reset alle filters
Artikelen
1 pagina's -
1
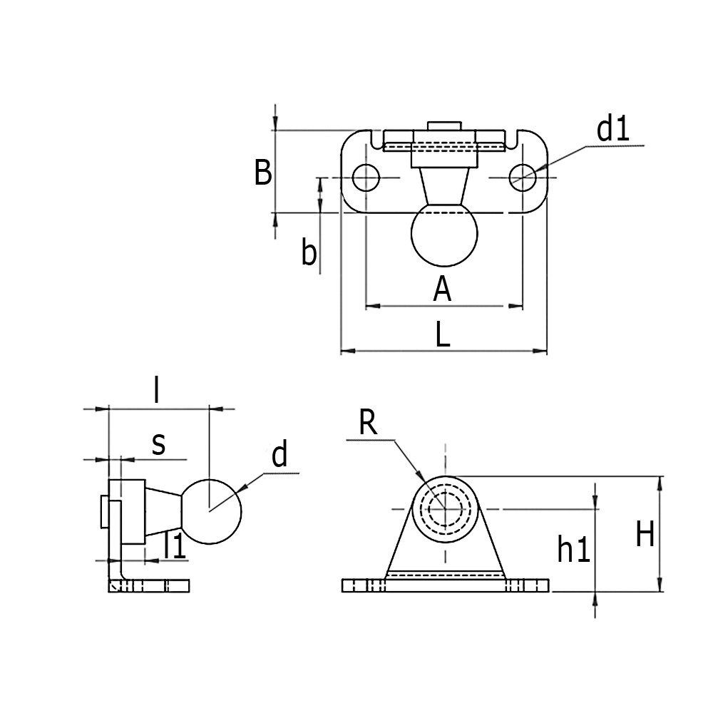
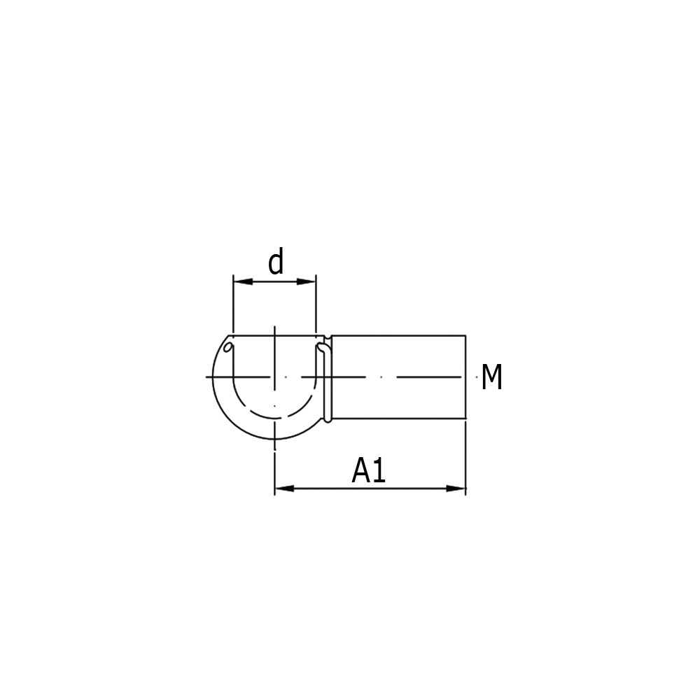
Artikel
Omschrijving
d
A1
N
M
A
B
d1
H
l1
s
b
h1
L
l
R
36.66881110
Gasveer hoekbeugel met kogelgewricht 50x20x26mm, 2xØ4,3 - 40mm hoh - Kogel Ø10mm - max 800N - staal verzinkt
10
18
800
M 8
40
20
4,3
26
3
2
10
16
50
14
10
36.66881113
Gasveer hoekbeugel met kogelgewricht 50x20x26mm, 2xØ4,3 - 40mm hoh - Kogel Ø13mm - max 1200N - staal verzinkt
13
30
1200
M 8
40
20
4,3
26
3
2
10
16
50
14
10
1 pagina's -
1