Inloggen  Klantaccount aanmaken  Wachtwoord vergeten? 
Loader
7.2.4

Stelvoet RVS – Extra Hygiëne - bevestigingsoog

Stelvoet RVS – Extra Hygiëne - bevestigingsoog
Stelvoet RVS – Extra Hygiëne - bevestigingsoog
Stelvoet RVS – Extra Hygiëne - bevestigingsoog
Stelvoet RVS – Extra Hygiëne - bevestigingsoog
Stelvoet RVS – Extra Hygiëne - bevestigingsoog
Stelvoet RVS – Extra Hygiëne - bevestigingsoog
Stelvoet RVS – Extra Hygiëne - bevestigingsoog
Stelvoet RVS – Extra Hygiëne - bevestigingsoogdrawing_1
Productinformatie
  • Stelvoeten van RVS in extra hygiënische uitvoering met bevestigingsoog zijn leverbaar met draadspindels van M16 tot en met M24 in lengtes van 140mm tot en met 220mm
  • Extra hygiënisch: draadspindel afdekt door verstelhuls binnen het verstelbereik
  • Schotelmaten in Ø60mm, Ø80mm, Ø100mm en Ø120mm
  • Schotel voorzien van oog tbv. vloermontage
  • Rubberen Anti-slip basis met RVS kap
  • FDA goedgekeurd (Food and Drug Administration)
  • Maximale statische en verticale belasting van 700kg tot en met 3000kg
  • Opstelhoek van maximaal +/-10°
  • De beschermhulzen zijn voorzien van platte kanten, waardoor verstelbaar met steeksleutel
  • Eenvoudig te reinigen vanwege de afgeronde voet en de verstelhuls die de draadspindel afschermt
  • Deze extra hygiënisch uitgevoerde stelvoeten met afgeschermde draadspindel zijn geschikt voor gebruik op machines, constructies, transportbanden e.d. waar hoge eisen worden gesteld aan o.a. voedselveiligheid, hygiëne, stabiliteit, belastbaarheid en uitstekende reinigbaarheid.

Materiaal: Voet - NBR (Nitrilbutadieenrubber) en RVS AISI 304 (Roestvaststaal A2), Draadspindel – RVS AISI 304 (Roestvaststaal A2 - 70)
Kleur: Voet – RVS-kleurig / zwart , Draadspindel – RVS-kleurig

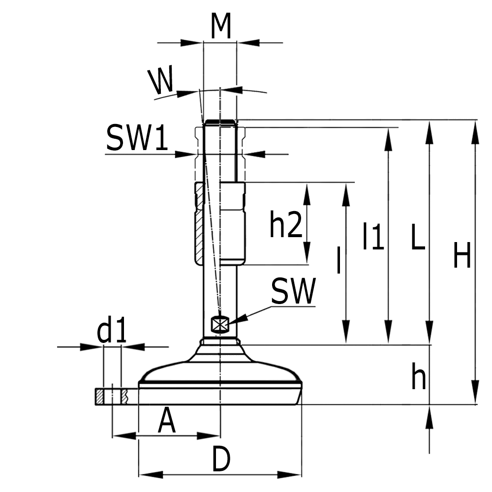
Legenda
A=HoH-maat spindel-boring, D=Voet-Ø, d1=Ø-montageboring, H=Totale bouwhoogte, h=Voethoogte, h2=Bushoogte, K=Maximale statische belasting in kg, L=Draadlengte spindel, l=Minimale stelhoogte, l1=maximale stelhoogte, M=Schroefdraad, SW=Sleutelwijdte, SW1=Sleutelwijdte 1

Filter op
1 pagina's -   1  

Artikel Omschrijving M A D H h K
798.C08016140 Stelvoet RVS Zware Uitvoering Ø80mm M16X140 - Extra Hygiëne met Bevestigingsoog Ø15mm M16 58 80 171,5 31,5 1500
798.C10016140 Stelvoet RVS Zware Uitvoering Ø100mm M16X140 - Extra Hygiëne met Bevestigingsoog Ø15mm M16 68 100 176,5 36,5 2000
798.C12016140 Stelvoet RVS Zware Uitvoering Ø120mm M16X140 - Extra Hygiëne met Bevestigingsoog Ø17mm M16 83 120 180,5 40,5 3000

1 pagina's -   1  

Paypal  IBAN  Maestro  mastercard  Visa  American Express  iDeal  Bancontact  Bancontact  Bancontact  Bancontact  Giropay  Sofort banking  Verzending net DPD