7.1.43
Plafondstelvoet / stelspanvoet met pen
Productinformatie
- Plafondstelvoeten met kunststof voet zijn leverbaar met voet Ø45mm en een draadspindel van M10 x 60mm
- Pen van Ø9mm met spitse punt
- Draadspindel is voorzien van zeskant SW14
- Plafondstelvoet / spanvoet wordt toegepast bij het klemmen van stellingen, rekken en kasten tussen vloer en plafond. De stalen centreerpen boort zich in het plafond en verhindert zijdelinkse verplaatsing.
Materiaal: Voet - PP (Polypropeen), Spindel - staal verzinkt
Kleur: zwarte voet, zinkkleurige spindel
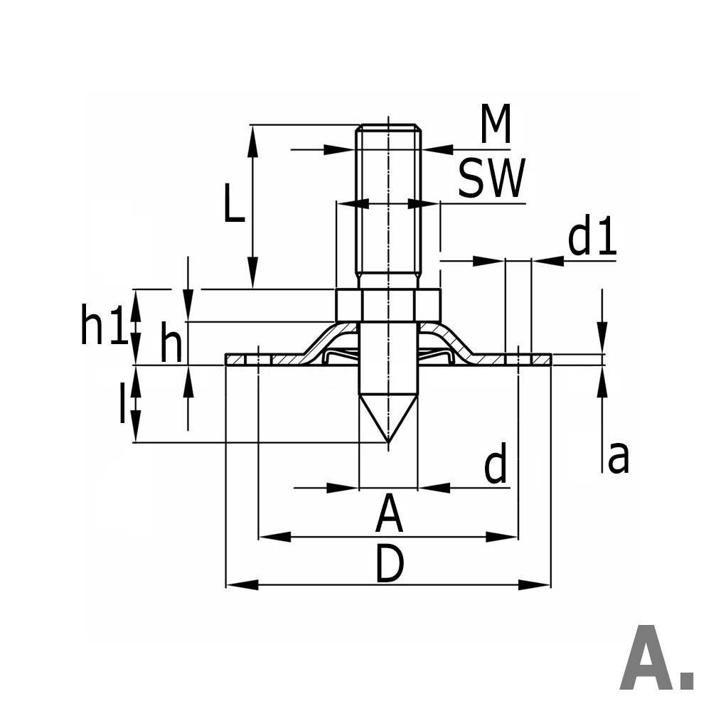
Legenda
D=Voet-Ø, d=Pen-Ø, h=Hoogte voet, h1=Hoogte pen, L=Lengte draadspindel, M=Schroefdraad Spindel, SW=Sleutelwijdte draadspindel