Inloggen
Inloggen
Klantaccount aanmaken
Wachtwoord vergeten?
Leeg
0
+31(0)493 322068
Artikel zoeken op afbeelding
Themaspecials
Nieuwe producten
Technische info
Snelbestellen
Klantenservice
Contact
Artikel zoeken op afbeelding
Themaspecials
Nieuwe producten
Technische info
Snelbestellen
Klantenservice
Contact
Omsteekdoppen
Insteekdoppen
Vloerglijders buisframe
Beschermen, maskeren en afdichten
Algemene maskering en bescherming
Hittebestendige maskering
Kappen met gripring - siliconen
Beschermdoppen siliconenrubber
Beschermdoppen EPDM
Cylindrische doortrekpluggen - siliconen
Tapse plug met treklip - siliconenrubber
Kraagloze conische trekpluggen – Silicone
Kraagloze conische trekpluggen – EPDM
Tapse plug - EPDM
Holle tapse plug - siliconenrubber
Tapse plug - siliconenrubber
Tapse plug - kurk
Buis en flens bescherming
O-ringen
Slang- en kabelbescherming
Maskeertape
Moerkappen en afdekkappen voor schroeven
Staf en klemprofielen in kunststof en rubber
Stelvoeten en Machinevoeten
Glijlagers
Bevestigingsmaterialen
Buisverbinders
Scharnieren
Trillingsdempers, stootdempers en rubber bussen
Bedieningsonderdelen en Normdelen
Wielen
Gasveren en accessoires
Hekwerk onderdelen
Meubelglijders en meubelpoten
Zelfklevende voetjes en vilt
Deurstoppers en kozijnbuffers
Insteek buffers en glasbuffers
Kabelmanagement
Ergonomie
Stoelverbinders
Trappen en ladders
Bouwgerelateerd
Rozetten
Diversen
Siernagels, bekledingsnagels en meubelnagels
Producten
Beschermen, maskeren en afdichten
Hittebestendige maskering
Beschermdoppen siliconenrubber
Silicone Dop D=2.4 L=25.4 Naturel
Silicone Dop D=2.4 L=25.4 Naturel
Bewaar
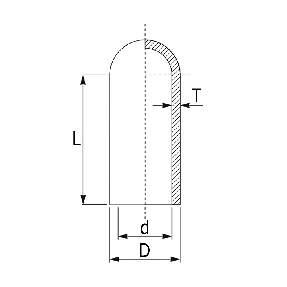
L :
25.4
d :
2.4
Kleur/RAL :
Naturel
Legenda
d=Binnen-Ø, H=Inwendige hoogte, M=Passend op metrische schroefdraad
Artikel-nr. :
45.0024.025 N
Op voorraad :
Ja
€ 0,0642
per
Stuk
€ 0,0777 incl. BTW
Aantal
Bestel
Bestel
U bestelt per stuk